Łożyska wieńcowe produkowane ze stali 42CrMo4 (wyższa nośność)
Łożyska wieńcowe produkowane ze stali C45 (niższa nośność)
Jest 104 produktów.
sortSortuj wg:
Łożysko o śr. zew. 838,10 mm
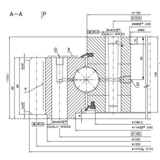
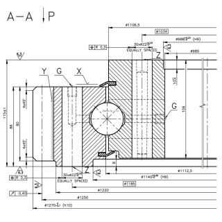
Łożysko o śr. zew. 1270 mm (30)
Łożysko o śr. zew. 1016 mm
Łożysko o śr. zew. 403,5 mm
Łożysko o śr. zew. 1270 mm (36)
Łożysko o śr. zew. 610 mm
Łożysko o śr. zew. 750 mm
Łożysko o śr. zew. 1803,20 mm
Łożysko o śr. zew. 1078 mm
Łożysko o śr. zew. 475 mm
Łożysko o śr. zew. 1198 mm
Łożysko o śr. zew. 950,10 mm
check_circle